○退職後のDIYは電動工具をそろえ、作業机、作品箱、太陽光システムなど、書斎兼作業部屋と狭いベランダで製作してきました。
○ご笑覧下さい。またご参考になれば幸いです。
| DIY作品一覧 | |||||
|
野鳥彫り 鍋敷
2026-3
|
野鳥彫り コースターほか
2026-3
|
||||
|
電動ドライバ ディスクサンダー
2026-2
|
焼きごて
2025-10
|
作品収納ボックス
2025-10
|
|||
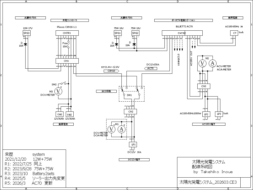
太陽光発電システム
2026-3
|
木製鏡餅
2023-12
|
ベランダ植木鉢台
2023-3
|
|||
ブックスタンド
2022-3
|
卓上集塵機
2022-3
|
電動ドリル治具
2022-2
|
|||
小型木工旋盤
![]() 2022-1 |
カメラ3脚イーゼル
2021-12
|
照明スタンド
2021-9
|
|||
小鳥のすかし衝立
2020-11
|
ベランダベンチ
|
||||



c.jpg)
c.jpg)
c.jpg)
c.jpg)
c.jpg)
c.jpg)
c.jpg)


図柄:カワセミ <サイズ:100x100
図柄:コゲラ <サイズ:100x100
図柄:シジュウカラ<サイズ:100x100
図柄:スズメ <サイズ:100x100








図柄:コガモ <サイズ:φ50




c.jpg)
c.jpg)
c.jpg)
c.jpg)
c.jpg)
c.jpg)
c.jpg)
c.jpg)
c.jpg)
c.jpg)







c.jpg)
c.jpg)
c.jpg)
2.jpg)
c.jpg)


c.jpg)
.